지게차운전기능사 실기시험 문제입니다.
지게차운전기능사 실기시험은 코스도면과 합격기준을 정확하게 알고 실기시험 연습을 해야 합니다.
지게차운전기능사 실기 합격 기준은 지게차 코스 규격, 운전 코스를 숙지하고 운전 코스를 4분 이내에 완주해야 합니다.
점수는 감정항목에 해당하는 부분을 줄여서 60점 이상이 되어야 합니다.
지게차운전기능사 실기시험 실격은 실격 항목 16가지에 해당하면 바로 지게차에서 하차하기 때문에 불합격 여부를 현장에서 확인 가능합니다.
실기시험의 실격사항, 감점 항목 등은 중장비학원에 등록해도 강사에 따라 잘 모르는 경우가 많기 때문에 본인이 꼭 숙지하고 있어야 합니다.
1. 합격 기준.
실격.
시험장소에서 바로 실격처리 되고 불합격됩니다.
실기시험 불합격은 대부분 시간초과(4분)입니다.
실격 10명 중에서 7~8명은 시간초과로 실격합니다.
실격 사항에 해당하지 않는 부분은 좀 무시하고 시간 내에 완주하는 것이 가장 중요합니다.
어떤 부분이 실격 항목인지, 어떤 부분이 감점 항목인지 체크하시기 바랍니다.
합격.
실기 운전 코스를 4분 이내에 완주하고 100점 만점에 60점 이상이면 합격입니다.
합격자 발표날 오전 9:00시에 큐넷 Q-net에서 확인할 수 있습니다.
실격 사유 없이 코스 완주하면 대부분 합격입니다.
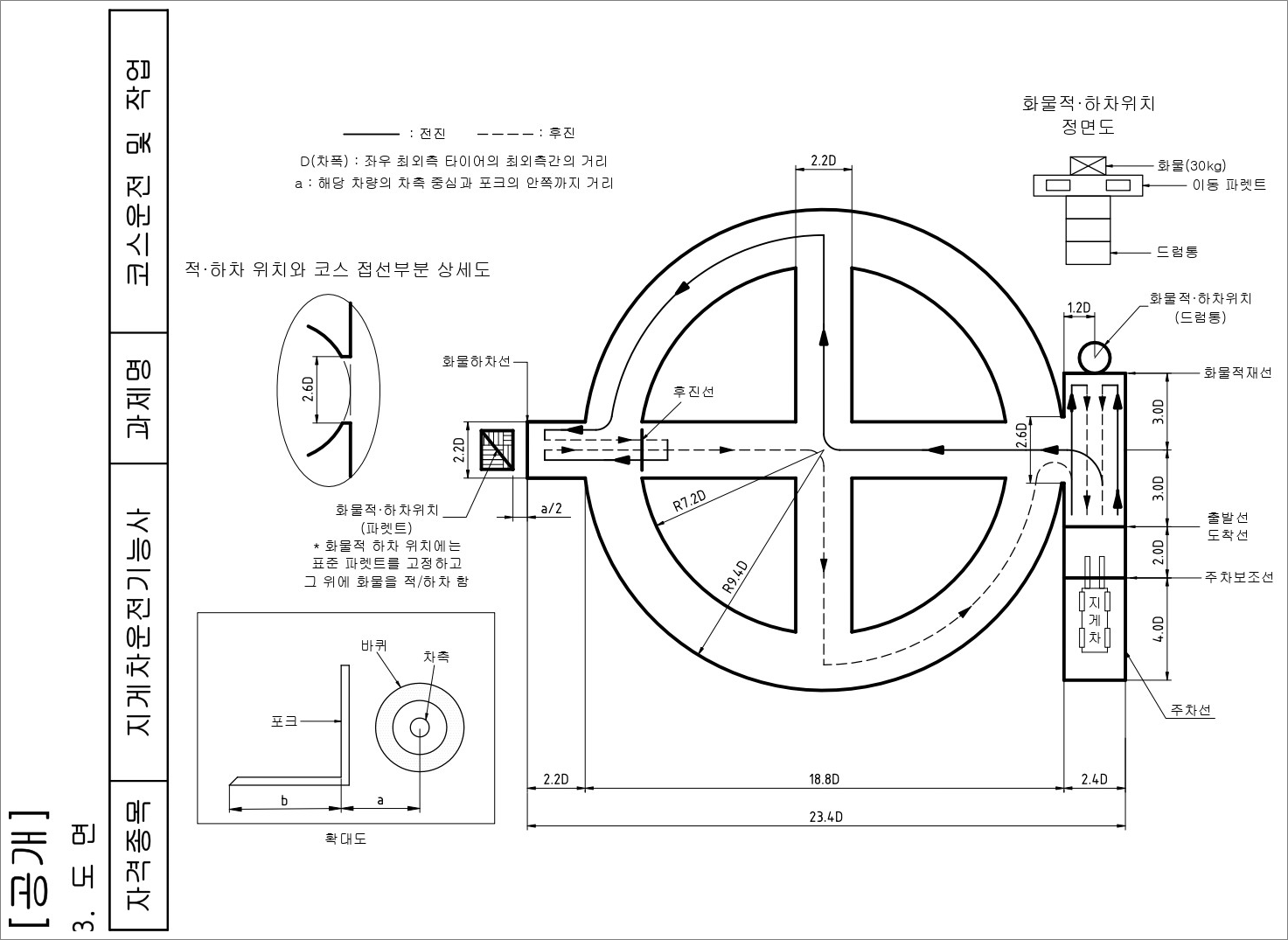
2. 지게차운전기능사 실기시험 문제.
요구사항.
※ 주어진 지게차를 운전하여 도면과 같이 설치된 코스에 따라 아래 작업 순서대로 수행하시오.
가. 화물 상차작업 및 전진 주행하기.
1). 시험감독위원의 출발신호에 따라 포크를 지면에서 수평 상태로 20 ~ 30 cm 상승시킨 후 전진하여 출발선(도착선)을 통과합니다.
2). 작업구역①의 드럼통 위에 놓여있는 [이동 파렛트]를 포크로 안전하게 삽입한 후 상승하여 상차합니다.
3). 장비를 후진하여 정지한 후 포크가 지면에서 20~30 cm가 되도록 하강합니다.
4). 도면의 전진 표시에 따라 코스 주행합니다.
※ [이동 파렛트]에 포크 삽입 시 드럼통을 터치, 파손 또는 넘어뜨리지 않도록 주의하고 [화물]이나 [이동 파렛트]를 떨어뜨리지 않도록 합니다.
※ 주행구간 진입 기준 : 지게차의 좌·우 앞바퀴 중 1개가 작업구역①을 완전히 벗어나 주행구간 내로 진입했을 때부터.
나. 화물 하차 및 상차작업하기
1). 작업구역②의 [표준 파렛트] 위에 [이동 파렛트]를 정확히 내려 하차합니다.
2). [이동 파렛트]를 하차 후 지게차를 후진하여 양쪽 포크 모두 하강시켜 후진선을 터치합니다.
※ 포크를 후진선에 내려놓았을 때 포크가 반드시 후진선에 교차 또는 물려있어야 합니다.
3). 후진선을 터치한 후 다시 전진하여 [이동 파렛트]를 상차합니다.
※ 상·하차 시 [이동 파렛트], [표준 파렛트]를 밀거나 파손시키지 않도록 유의하여 작업합니다.
다. 후진 주행 및 장비 원 위치하기.
1). 상차 완료 후 도면의 후진 표시에 따라 코스 주행합니다.
2). 작업구역① 의 드럼통 위에 [이동 파렛트]를 내려놓은 후 이동하여 포크 높이를 조절하고 후진합니다.
※ [이동 파렛트 ]를 드럼통 위에 하차 시 포크로 드럼통을 터치, 파손, 넘어뜨리지 않도록 유의하고 [화물 ]이나 [이동 파렛트 ]를 떨어뜨리지 않도록 합니다.
3). 장비를 출발 전 원 위치로 후진하여 '주차보조선'에 포크를 내려놓고 작업을 마칩니다.
수험자 유의사항.
※ 항목별 배점은 화물하차작업 55점, 화물상차작업 45점입니다.
1). 시험위원의 지시에 따라 시험장소를 출입 및 장비를 운전해야 합니다.
2). 음주상태 측정은 시험시작 전에 실시하며, 음주상태 및 음주측정을 거부하는 경우 실기시험에 응시할 수 없습니다. (도로교통법에서 정한 혈중 알코올 농도 0.03% 이상)
3). 규정된 작업복장의 착용여부는 채점사항에 포함됩니다. (수험자 지참공구 목록 참고)
4). 휴대폰 및 시계류(손목시계, 스톱워치 등)는 시험 전 제출 후 시험에 응시합니다.
5). 장비운전 중 이상 소음이 발생되거나 위험사항이 발생되면 즉시 운전을 중지하고, 시험위원에게 알려야 합니다.
6). 장비조작 및 운전 중 안전수칙을 준수하고, 안전사고가 발생되지 않도록 유의하여야 합니다.
7). 코스 내 이동 시 포크는 지면에서 20 ~ 30 cm로 유지하여 안전하게 주행하여야 합니다.
8). 수험자가 작업 준비된 상태에서 시험감독위원의 출발신호에 의해 시작합니다. (단, 시험시간은 앞바퀴 기준으로 출발선/도착선을 통과하는 시점으로 합니다.)
9). 작업구역.
작업구역① : 화물 적·하차 위치(드럼통)의 화물적재선부터 출발선/도착선까지.
작업구역② : 화물 적·하차 위치(파렛트)의 화물하차선부터 후진선까지.
(그 외 공간은 주행구간으로 간주)
10). 다음 사항에 대해서는 채점 대상에서 제외하니 특히 유의하시기 바랍니다.
가) 기권.
(1) 수험자 본인이 기권 의사를 표시하는 경우.
나) 실격.
(1). 운전 조작이 미숙하여 안전사고 발생 및 장비 손상이 우려되는 경우.
(2). 시험시간을 초과하는 경우.
(3). 요구사항 및 도면대로 코스를 운전하지 않은 경우.
(4). 출발신호 후 1분 내에 장비의 앞바퀴가 출발선을 통과하지 못하는 경우.
(5). 수험자의 조작 미숙으로 기관이 1회 정지된 경우.
(6). 주차브레이크를 해제하지 않고 앞바퀴가 출발선을 통과하는 경우.
(7). 코스 운전 중 라인을 터치하는 경우. (단, 후진선은 해당하지 않으며, 출발선/도착선은 화물을 적재한 상태에서만 라인 터치를 적용합니다.)
(8). 화물 또는 [이동 파렛트]를 떨어뜨리는 경우.
(9). 드럼통을 넘어뜨리거나 드럼통 또는 [이동 파렛트], [표준 파렛트]를 파손하는 경우.
(10). 포크(화물을 적재한 상태도 포함)로 드럼통을 터치하는 경우.
(11). [이동 파렛트]를 상차하지 않고 작업구역① 또는 작업구역②를 벗어나는 경우.
(12). 작업구역(①, ②), 주행구간 내에서 포크 및 [이동 파렛트]가 지면에 닿는 경우. (단, 후진선 포크 터치는 제외)
(13). 포크로 후진선 터치 시 후진선 이외의 지면에 내려놓는 경우.
(14). 주행구간 내에서 주행 중 포크가 지면에서 50 cm를 초과하는 경우. (단, 작업구역①, 작업구역②에서는 제외)
(15). [이동 파렛트]를 작업구역②의 [표준 파렛트] 위에 내려놓았을 때의 상태가 가로 또는 세로 방향으로 20 cm를 초과한 경우.
(16). [이동 파렛트]의 구멍에 포크를 삽입은 하였으나, 덜 삽입한 정도가 20 cm를 초과한 경우.


❉. 지게차운전기능사 실기시험 일정 (시험 날짜. 시험 시간. 복장. 준비물. 2024년)
지게차운전기능사 실기시험 일정 (시험 날짜. 시험 시간. 복장. 준비물. 2024년)
지게차운전기능사 실기시험 일정, 실기시험 날짜, 실기시험 시간, 실기시험 접수, 실기시험 원서접수 접수시간 등의 기본정보입니다. 지게차운전기능사 실기시험 접수 비용, 실기시험 과목, 실
abaca.tistory.com
❉. 지게차운전기능사 실기시험 일정 미리 확인하기 (시험 장소. 시험 날짜. 시험 시간)
지게차운전기능사 실기시험 일정 미리 확인하기 (시험 장소. 시험 날짜. 시험 시간)
지게차운전기능사 실기시험 일정 및 시험 장소, 시험 날짜를 미리 확인하는 방법입니다. 지게차운전기능사 실기시험 접수하기 전에 자신의 거주하는 지역의 실기 시험장소, 시험날짜를 미리 확
abaca.tistory.com
❉. 지게차운전기능사 실기시험 접수 방법 (실기 접수 빨리하는 방법. 가상계좌)
지게차운전기능사 실기시험 접수 방법 (실기 접수 빨리하는 방법. 가상계좌)
지게차운전기능사 실기시험 접수하는 방법입니다. 지게차운전기능사 실기시험 접수는 시험 장소, 시험 날짜, 시험 시간을 선착순으로 합니다. 지게차운전기능사 실기 접수를 빨리 해야만 본인
abaca.tistory.com
❉. 지게차운전기능사 실기시험 실격사유 및 감점사항 (틸트. 복장. 실기 채점표 포함. 시간초과)
지게차운전기능사 실기시험 실격사유 및 감점사항 (틸트. 복장. 실기 채점표 포함. 시간초과)
지게차 실기시험 불합격은 "실격"과 "점수 60점" 미만 2가지가 있습니다. 실격 불합격은 지게차 실기장에서 실격한 위치에서 하차하기 때문에 시험장에서 불합격을 알 수 있습니다. 점수 60점 미
abaca.tistory.com
❉. 지게차운전기능사 실기시험 불합격 유형 (실격. 시간 초과. 코스 이탈)
지게차운전기능사 실기시험 불합격 유형 (실격. 시간 초과. 코스 이탈)
지게차운전기능사 실기시험 불합격의 대부분은 시간초과이고 대부분 4분 10초 전후입니다. 지게차 실기시험에서 시간초과로 실격한 이후 부산국가자격시험장에 자주 찾아갔습니다. 시험장은
abaca.tistory.com
❉. 지게차운전기능사 실기시험 불합격 이후 재시험 날짜는 4주~6주 이후. (실격 포함)
지게차운전기능사 실기시험 불합격 이후 재시험 날짜는 4주~6주 이후 (실격 포함)
지게차 실기시험에서 실격 이후 재시험은 "다음회"가 아니라 "다다음회"에 실기접수가 가능합니다. 실기시험에서 실격은 현장에서 바로 알 수 있습니다. 실격 없이 완주한 사람은 60점 이상 합격
abaca.tistory.com
❉. 지게차운전기능사 실기시험 시험 장소 및 지게차 기종 (자체시험 학원 포함)
지게차운전기능사 실기시험 시험 장소 및 지게차 기종 (자체시험 학원 포함)
지게차 실기시험 시험장은 자체 시험장을 포함해서 전국 17군데 있습니다. 지게차 실기장소는 전회 실기시험이 시행하지 않고 회차마다 시행하는 곳과 시행하지 않는 곳이 있습니다. 자체 시험
abaca.tistory.com
❉. 지게차운전기능사 실기시험 자체 시험장 학원 선택 주의할 점 (선착순. 시험 날짜)
지게차운전기능사 실기시험 자체 시험장 학원 선택 주의할 점 (선착순. 시험 날짜)
지게차운전기능사 실기시험은 자체시험을 치르는 학원에 등록하는 것이 좋습니다. 본인이 연습하는 장소에서 시험 치르기 때문에 편안한 분위기에서 시험을 치를 수 있습니다. 자체시험을 실
abaca.tistory.com
❉. 지게차운전기능사 실기시험 학원 선택 주의할 점 (지게차 기종. 강사 경력)
지게차운전기능사 실기시험 학원 선택 주의할 점 (지게차 기종. 강사 경력)
지게차운전기능사 실기시험 준비에서 중장비학원 결정은 정말 중요합니다. 학원에서 2~3시간 연습하면 이번에 합격 또는 불합격을 본인 스스로 느낄 수 있을 정도입니다. 학원은 강사의 경력이
abaca.tistory.com



❉. 지게차 실기시험문제 PDF 파일. (지게차 실기 코스도면 포함)
'자격증 정보. > 지게차운전기능사' 카테고리의 다른 글
| 지게차운전기능사 실기시험 자체 시험장 학원 선택 주의할 점 (선착순. 시험 날짜) (0) | 2024.04.22 |
|---|---|
| 지게차운전기능사 실기시험 학원 선택 주의할 점 (지게차 기종. 강사 경력) (0) | 2024.04.21 |
| 지게차운전기능사 실기시험 재시험 날짜는 4주~6주 이후 (불합격. 실격 포함) (0) | 2024.04.19 |
| 지게차운전기능사 필기시험 기출문제 공부 방법 (1,920문제. 해설 포함. 지게차 구조. 법 개정) (0) | 2024.04.16 |
| 지게차운전기능사 필기시험 CBT 시험 방법. (웹체험. 실제 시험과 동일) (0) | 2024.04.09 |
| 지게차운전기능사 필기시험 준비물. (신분증. 모바일 운전면허증. 수험표 필요 없는 이유) (0) | 2024.04.08 |
| 지게차운전기능사 필기시험 접수 주의할 점. (사진 등록) (0) | 2024.04.07 |
| 지게차운전기능사 실기시험 연습 가능한 장소. (0) | 2023.12.05 |